0
¥0

現在カート内に商品はございません。

  • 特殊なねじを豊富に取りそろえています
  • エンザート正規代理店
  • 16時までのご注文で当日出荷

お気軽にお問い合わせください。

お問合せフォーム

電話受付時間 平日 8:30〜17:00

※土・日・祝を除く

※休日カレンダーはコチラ

ようこそ ゲスト

0
¥0

現在カート内に商品はございません。

エンザート 割溝タイプ 302型 真鍮【800】

商品コード: 302002580 ~ 302016080
カートに追加しました。
カートへ進む
商品コード 規格 単価 数量 金額(単価)
10個~ 100個~ 500個~ 1000個~ 2000個~
302002580 M2.5 29 26 23 21 21 -
302003080 M3 24 22 20 18 17 -
302003580 M3.5 42 38 38 30 29 -
302004080 M4 33 29 26 24 23 -
302005080 M5 44 39 32 32 30 -
302006080 M6 - - - - - お問合せ
302006180 M6a 53 47 41 39 36 -
302008080 M8 86 76 66 62 59 -
302010080 M10 143 128 112 104 100 -
302012080 M12 - - - - - お問合せ
302014080 M14 - - - - - お問合せ
302016080 M16 694 617 540 502 483 -
数量
割溝タイプ

快削性のある鋳鉄、アルミ合金、可塑性の高い樹脂等に使用できます。

切刃の部分が長いので母材にもよく喰い付き作業がし易いのが特長です。

難削性の高強度アルミ材やFRPには不向きです。

真鍮製は、樹脂・木材用です。


注意点

下穴が小さい場合や高度の高い母材に対しては、切刃が加工面から浮く傾向があり

ピッチ遅れが生じたりボルト挿入が困難な場合がありますのでご注意下さい。


材質 真鍮(800)
特徴 割溝タイプ 302型
用途 可塑性の高い樹脂・アルミ合金など


エンザート挿入・施工方法

下穴参考値表はこちら
エンザートについて

備考

302型 割溝タイプ
●材質:快削鋼 浸炭焼入 SUM 22 L(相当)  型式例:内ねじサイズ M5の場合
 三価クロメート処理 材質品番:【 112 】     型式例:302-000-050-【112】
 六価クロメート処理 材質品番:【 160 】  型式例:302-000-050-【160】
●材質:ステンレス鋼
 SUS430 F(相当) 材質品番:【 400 】 M16まで 型式例:302-000-050-【400】
 SUS303 (相当) 材質品番:【 500 】 M20まで 型式例:302-000-050-【500】
●材質:真鍮
 C3603(相当) 材質品番:【 800 】 M16まで 型式例:302-000-050-【800】

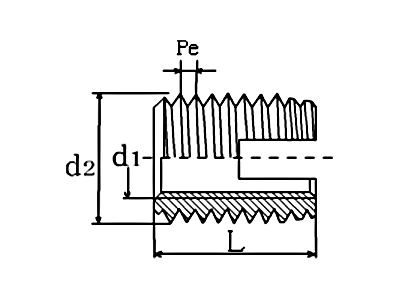
品番 内ねじ 外ねじ 長さ
    型式    サイズ 材質 d1 d2 Pe
302 - 000 - 025 - 【 * 】 M 2.5  0.45   4.5   0.5
302 - 000 - 030 - 【 * 】 M 3  0.5   5   0.5
302 - 000 - 035 - 【 * 】 M 3.5  0.6   6   0.75
302 - 000 - 040 - 【 * 】 M 4  0.7   6.5   0.75
302 - 000 - 050 - 【 * 】 M 5  0.8   8   1.0 10
302 - 000 - 061 - 【 * 】 M 6a  1.0   9   1.0 12
302 - 000 - 060 - 【 * 】 M 6  1.0   10   1.5 14
302 - 000 - 080 - 【 * 】 M 8  1.25   12   1.5 15
302 - 000 - 100 - 【 * 】 M 10  1.5   14   1.5 18
302 - 000 - 120 - 【 * 】 M 12  1.75   16   1.5 22
302 - 000 - 140 - 【 * 】 M 14  2.0   18   1.5 24
302 - 000 - 160 - 【 * 】 M 16  2.0   20   1.5 22
302 - 000 - 180 - 【 * 】 M 18  2.5   22   1.5 24
302 - 000 - 200 - 【 * 】 M 20  2.5   26   1.5 27
302 - 000 - 220 - 【 * 】 M 22  2.5   26   1.5 30
302 - 000 - 240 - 【 * 】 M 24  3.0   30   1.5 30
302 - 000 - 270 - 【 * 】 M 27  3.0   34   1.5 30
302 - 000 - 300 - 【 * 】 M 30  3.5   36   1.5 40
*材質品番【 * 】は上記よりお選び下さい。

参考寸法

【下穴径 参考値】
母材の材質 エンザートのタイプ 3 0 2 型 3 0 7/3 0 8 型 3 0 7-2/3 0 8-2 型 3 1 7/ 3 1 8型 3 3 7/ 3 3 8型
アルミ合金等
軽 金 属
Rm=引張強さ【N/㎟】
Rm 350位まで Rm 350以上 Rm 350位まで Rm 350以上
真鍮 他の非金属
鋳 鉄
HB=ブリネル硬さ
HB 200位まで HB 200以上 HB 200位まで HB 200以上
軟質プラスティック
軟質木材
硬質プラスティック
エンザート 内径 M 2.5 インチサイズ 4.1 4.1 4.2 4.3 - - - -
M 3 №4 4.6 4.6 4.7 4.8 4.6 4.7 4.7 4.8
M 3.5 №6 5.4 5.5 5.6 5.7 5.5 5.6 5.6 5.7
M 4 №8 5.9 6.0 6.1 6.2 6.0 6.1 6.1 6.2
M 5 №10 7.2 7.3 7.5 7.6 7.4 7.5 7.6 7.7
M 6 a - 8.2 8.3 8.5 8.6 - - - -
M 6 1/4" 8.8 9.0 9.2 9.4 9.3 9.4 9.5 9.6
M 8 5/16" 10.8 11.0 11.2 11.4 11.1 11.2 11.3 11.5
M 10 3/8" 12.8 13.0 13.2 13.4 13.1 13.2 13.3 13.5
M 12 7/16" 14.8 15.0 15.2 15.4 15.0 15.1 15.2 15.4
M 14 1/2" 16.8 17.0 17.2 17.4 17.0 17.1 17.2 17.4
M 16 5/8" 18.8 19.0 19.2 19.4 19.0 19.1 19.2 19.4
M 18 - 20.8 21.0 21.2 21.4 - - - -
M 20 / M 22 3/4" 24.8 25.0 25.2 25.4 - - - -
M 24 - 28.8 29.0 29.2 29.4 - - - -
M 27 - 32.8 33.0 33.2 33.4 - - - -
M 30 - 34.8 35.0 35.2 35.4 - - - -
ひっかかり率 (対ねじ高さ) 60% 50% 40% 30% 80% 70% 60% 50%

カテゴリ一覧

ページトップへ
この商品を購入した方におすすめ